Gate Drive and Transducer | IGBT or SIC MOSFET

PEM.DISC.GDSENS.01.A

Description:

PEModule PLUGY Discovery Fully isolated, high performance, cost effective IGBT or SIC MOSFET  Gate Driver and transducer based on high efficient opto-isolation.

Main Features:

  • Active miller clamping protection for turn-on and turn-off. 
  • Up-to 50KHz PWM frequency.
  • Built-in Gate Resistance.
  • No external passive components needed
  • Accept TTL/CMOS input PWM Signals
  • ESD input terminals protection.
  • High common mode transient immunity 50KV/μsec.
  • Low propagation delay.
  • General Purpose transducer can be used for current or voltage measurement  based  on  external components.
  • Compact size.
  • Easy to mount as THT or SMT component
  • DC or AC wave forms.
  • 200KHz bandwidth.
  • Excellent linearity of 0.5%.
  • High gain accuracy of 1%.
  • High temperature stability 50ppm/C.
  • - No need for external reference.
  • - High isolation level 3KV.
  • - Differential output signal for high noise immunity
Datasheet
For Inquiry

Follow us

Gate Drive Characteristics


  Parameter Symbol Min. Type Max. Unit
Input Supply Voltage  VCC1 +4.5 +5+5.5 V 
Input Supply CurrentICC1 50-90m  A
Output Power (average) Po(av)  0.21W 
Input signal High level VinHL2-5 V
Turn on output voltage  Vgon14.51515.5V 
Turn off output voltage  Vgoff--8-V 
Isolation Voltage Viso  --3000 Vrms
Switching Frequency Fsw-- 50 KHz
Propagation Delay Time  tPLH(1)100260350 ns
Propagation Delay Time tPHL(1)50145250 ns

Transducer Characteristics


  Parameter Min. Type Max. Unit
+VCC1+4.5 +5+5.5 V 
+ICC15080m  A
SENS+/SENS--200+200mV 
  Non Linearity0.05 %
Bandwidth200
KHz 
Isolation Voltage
3000
Vrms 
 Vout range  0.53.0 V
Temperature stability
 50
 ppm/C
Gain3.923.964 V/V
Vref1.261.281.3 V

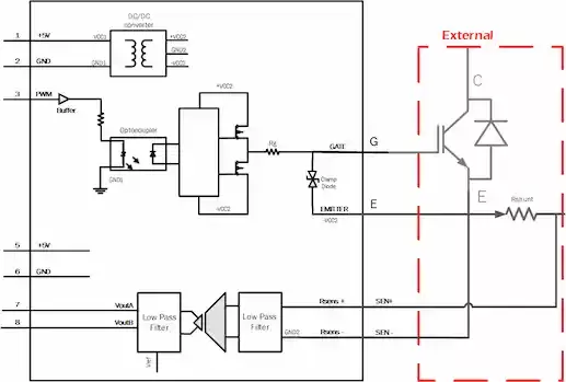
Module Pin Out Functionality

Pin  SymbolFunction
1+5 VDCPositive power supply +5VDC
2GNDGround terminal
3PWMPWM input signal TTL or CMOS
 4NCNot Connected
GGate
EEmitter
 5+5V Positive power supply +5VDC 
 6GND Ground terminal 
 7VoutB Measurement output B signal 
 8VoutA Measurement output A signal  
 SEN+Rsens+ Sensing Resistor Positive direction for     measurement 
SEN- Rsens-  Sensing Resistor Negative direction for     measurement

Follow us!

For Inquiry
Expandable Article

PLUGY Discovery Series: Empowering Industry and Academia in Power Electronics

The PLUGY Discovery Series stands at the forefront of modern power electronics, offering a versatile range of products designed to meet the needs of both industrial applications and academic research. This comprehensive suite of modules integrates state-of-the-art technology with user-friendly design, enabling engineers, researchers, and students to push the boundaries of innovation.

Among the flagship offerings are the LEG Inverters, available in various configurations including IGBT-based models at 1200V/50A, 1200V/30A, and 650V/55A, as well as MOSFET-based models at 200V/50A. These inverters are celebrated for their reliability and high-performance capabilities, making them ideal for applications where robust voltage and current handling is essential. Their design prioritizes efficiency and safety, making them a trusted choice in both heavy industrial environments and precision-driven academic projects.

Complementing the inverters are the Buck, Boost, and Buck-Boost converters, engineered with similar power ratings using both IGBT and MOSFET technologies. These converters are specifically designed to manage voltage transformation with high efficiency and minimal energy loss. Whether stepping up or stepping down power levels, the converters offer a stable and consistent output, which is crucial for both experimental research and real-world industrial operations.

The series also includes advanced gate drivers and transducers tailored for IGBT, SiC MOSFET, and conventional MOSFET devices. These components are integral for controlling high-speed switching and for ensuring accurate measurement of current and voltage. Their high isolation levels contribute to the overall safety and reliability of power systems, providing engineers with the tools they need to develop innovative and secure power solutions.

Further broadening its scope, the PLUGY Discovery Series offers IPM three-phase inverters available in 1, 2, and 3 HP variants, as well as a single-phase 3HP rectifier. These products are particularly suited for motor drive applications and industrial power management. The modular design of these systems allows for easy scalability, making them suitable for a wide range of applications—from small-scale experimental setups to large industrial installations.

Another key component of the series is the BLDC motor drive, offered in several configurations including 48V/80A, 48V/40A, 60V/80A, and 60V/40A. These motor drives deliver high efficiency and precise control, which are critical for electric vehicle applications, industrial automation, and robotics. Their robust construction ensures that they can withstand demanding operational conditions while delivering consistent performance.

Overall, the PLUGY Discovery Series is designed with versatility and reliability in mind. Its products empower users by offering customizable solutions that can be seamlessly integrated into both industry projects and academic research. Whether used for prototyping in a university lab or deployed in a high-stakes industrial environment, these products facilitate a deeper exploration of power electronics principles while ensuring operational excellence and safety.

Items have been added to cart.
One or more items could not be added to cart due to certain restrictions.
Added to cart
Your cart has item(s).
- Can't add this product to the cart now. Please try again later.
Quantity updated
- An error occurred. Please try again later.
Deleted from cart
- Can't delete this product from the cart at the moment. Please try again later.